ZB系列真空耙式干燥机
 
 
ZB系列真空耙式干燥机
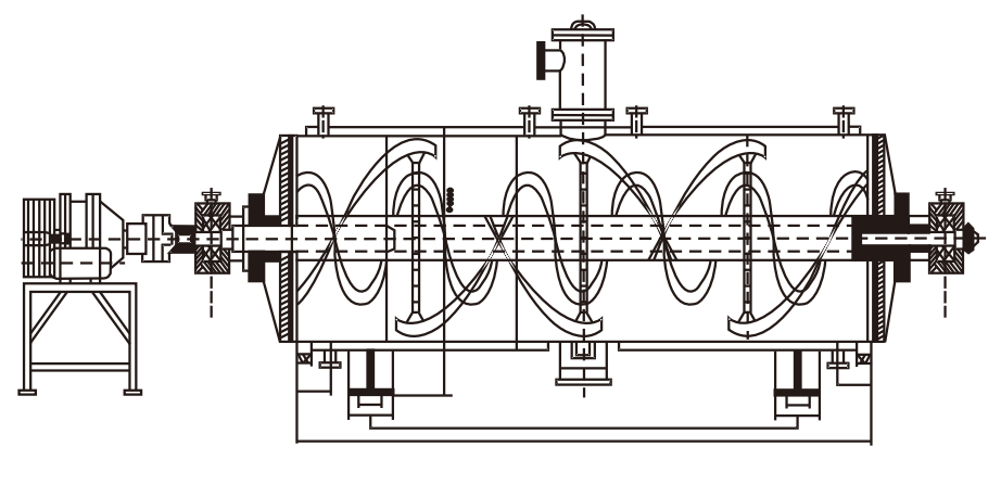
产品描述:本机采用夹层加热同时进行内搅拌,传热面大,热效率高。 本机设置搅拌,使物料在筒内形成连续循环状态,进一步提高了物料受热的均匀度。本机设置搅拌,从而可顺利进行浆状、膏状、糊状物料干燥。
咨询热线:0519-88902358
产品详细

概述:

       本机采用夹层加热同时进行内搅拌,传热面大,热效率高。 本机设置搅拌,使物料在筒内形成连续循环状态,进一步提高了物料受热的均匀度。本机设置搅拌,从而可顺利进行浆状、膏状、糊状物料干燥。


结构简图:

image.png


应用:

1,医药、食品、化工等行业进行以下物料干燥。

2,适用于浆状、膏糊状、粉状物料。

3,要求低温干燥的热敏性物料。

4,易氧化、易爆、强刺激、剧毒物料。

5,要求回收有机溶剂的物料。


技术参数:

image.png


下一个产品:没有了!




地址:江苏省常州市天宁区高新区工业园
电话:0519-88902358 88908916
网址:www.djdrying.com
邮箱:morucai@126.com
江苏大江干燥设备有限公司  版权所有  常州云计算信息科技有限公司设计制作 备案号:#  法律声明

服务热线

13606118358

微信服务号